

| Type | Size | 58 | 65 | 75 | 90 | 100 | 120 | 150 | 180 | 200 | 225 |
|---|---|---|---|---|---|---|---|---|---|---|---|
| Tn (Nm) | 190 | 254 | 514 | 816 | 1350 | 2575 | 5250 | 9600 | 16800 | 25000 | |
| Tdw (Nm) | 126 | 179.2 | 364 | 581 | 840 | 1610 | 3150 | 5880 | 12320 | 16380 | |
| Tk (Nm) | 90 | 128 | 260 | 415 | 600 | 1150 | 2250 | 4200 | 8800 | 11700 | |
| Tc (Nm) | 149 | 230 | 390 | 640 | 1062 | 1860 | 3490 | 5835 | 11400 | 15800 | |
| β (°) | 35 | 35 | 35 | 35 | 35 | 35 | 35 | 25 | 25 | 25 | |
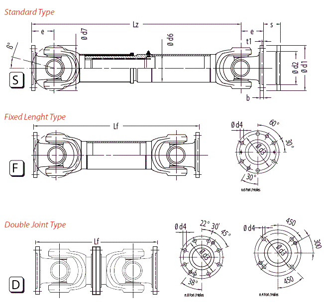
| S | Lz (mm) | 255 | 285 | 335 | 385 | 445 | 500 | 590 | 640 | 775 | 860 |
| s (mm) | 35 | 40 | 40 | 45 | 45 | 55 | 80 | 80 | 100 | 120 | |
| m (kg) | 2.2 | 2.4 | 3 | 5 | 6.6 | 9.5 | 17 | 32 | 76 | 128 | |
| F | Lf (mm) | 150 | 175 | 200 | 240 | 260 | 295 | 370 | 430 | 530 | 600 |
| m (kg) | 1.7 | 2.4 | 3.8 | 5.7 | 7.7 | 13.1 | 23 | 28 | 55 | 98 | |
| D | Lf (mm) | 128 | 156 | 208 | 220 | 252 | 302 | 348 | 440 | 480 | 600 |
| m (kg) | 1.3 | 1.95 | 3.1 | 5 | 7 | 12.3 | 22 | 30 | 56 | 96 | |
| Ød1 | 58 | 65 | 75 | 90 | 100 | 120 | 150 | 180 | 200 | 225 | |
| Ød3 | 47 | 52 | 62 | 74.5 | 84 | 101.5 | 130 | 155 | 170 | 190 | |
| Ød2 (H7) | 30 | 35 | 42 | 47 | 57 | 75 | 90 | 110 | 125 | 140 | |
| t1 | 1.5 | 1.7 | 2 | 2.5 | 2.5 | 3 | 4 | 4 | 5 | 5 | |
| Ød6 | 38°1.5 | 45°1.5 | 63.5°2.5 | 63.5°2.5 | 63.5°2.5 | 89°2.5 | 89°2.5 | 120°3 | 120°3 | 127°5.5 | |
| mL (100 mm) | 0.14 | 0.16 | 0.38 | 0.38 | 0.53 | 0.53 | 0.87 | 0.87 | 1.65 | 2.14 | |
| e | 38 | 45 | 52 | 55 | 63 | 85 | 100 | 110 | 120 | 140 | |
| b | 3.5 | 4.5 | 5.5 | 6 | 8 | 10 | 12 | 14 | 15 | 17 | |
| Z | 4 | 4 | 5 | 6 | 8 | 8 | 8 | 8 | 8 | 8 | |
| Ød4 | 5 | 6.5 | 6.5 | 8.5 | 8.5 | 10.5 | 13 | 15 | 17 | 17 | |
| Flange Bolt | M5 | M6 | M6 | M8 | M8 | M10 | M12 | M14 | M16 | M16 | |




